咨询电话
4000519779
网站首页
关于我们
新闻动态
企业资质
服务项目
工程案例
联系我们
您的位置:
首页
>
行业新闻
>
新闻分类
MORE +
行业新闻
联系我们
MORE +
常州市天乙清洗防腐有限公司
联系人:李先生
服务热线:13806126396
技术热线:4000519779
电话:0519-88779588
网址:www.cztyqx.com
传真:0519-88779588
邮箱:cztyqx@163.com
地址:常州市常武北路229号新地中心1105室
行业新闻
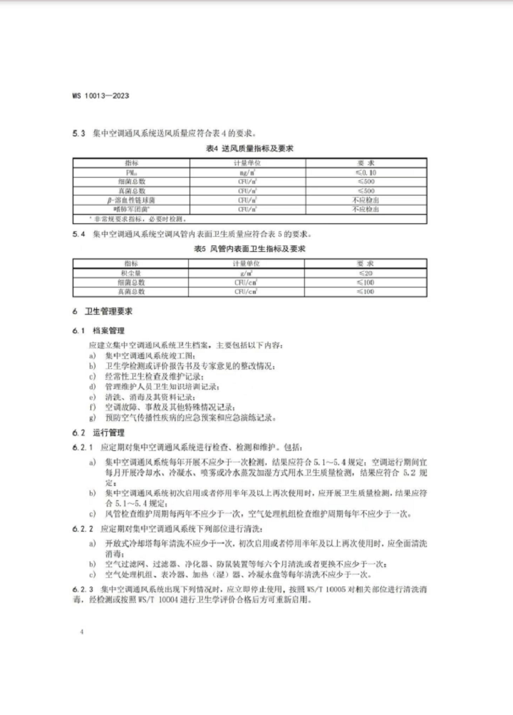
WS 10013-2023公共场所集中空调通风系统卫生规范
作者: 来源: 日期:2025/11/4 9:14:33 人气:598
上一个:
我司通过中央空调通风系统专业清洗能力技术评估复审
下一个:
(WS T10004-2023)《公共场所集中空调通风系统卫生学评价规范》
网站首页
|
关于我们
|
新闻动态
|
企业资质
|
服务项目
|
联系我们
|
工程案例
版权所有 常州市天乙清洗防腐有限公司
备案号:苏ICP备2020065979号
技术支持:仕德伟科技